Renault Clio: K9K, and 750 or 752
			
			
			
REMOVAL
I - REMOVAL PREPARATION OPERATION
	- Disconnect the battery (see Battery: Removal - Refitting)
	(MR 392, 80A, Battery).
K9K, and 750

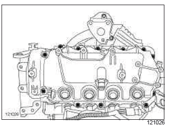
	- Undo the clip (1) from the intercooler outlet pipe.
- Move the intercooler outlet air pipe to one side (2).

	- Remove the turbocharger outlet air pipe retaining pin (3).
- Loosen the turbocharger outlet air pipe clip (4).
- Remove the turbocharger air outlet pipe (5).

	- Disconnect:
		- the oil vapour rebreathing pipe,
- the connector (6) from the EGR solenoid valve,
- the air pressure sensor connector (7).
 
- Unclip the breather pipe from the gearbox.
- Remove:
		- the lifting eye bolts (8) on the gearbox side,
- the gearbox side lifting eye.
 
- Move the wiring harness to one side.
- Unclip the clips (9) from the injector rail protector.
- Remove:
		- the injector rail protector bolt (10),
- the injector rail protector.
 

	- Remove:
		- the nuts (11) from the EGR solenoid valve strut (12),
- the strut on the EGR solenoid valve.
 
II - OPERATION FOR REMOVAL OF PART
CONCERNED

	- Remove:
		- the rocker cover bolts (13),
- the rocker cover.
 
REFITTING
I - REFITTING PREPARATION OPERATION
WARNING
The joint faces must be clean, dry and free from
grease (avoid finger marks).
WARNING
Applying excess sealant could cause it to be
squeezed out when parts are tightened. A mixture
of sealant and fluid could damage certain
components (engine, radiator, etc.).

	- Apply RESIN ADHESIVE, 2 mm in diameter.
II - REFITTING OPERATION FOR PART
CONCERNED

	- Refit the rocker cover, fitted with a new gasket.
- Fit without tightening the rocker cover bolts.
- Tighten to torque and in order the rocker cover
	bolts (11 N.m).
III - FINAL OPERATION
	- Refit:
		- the strut on the EGR solenoid valve,
- the EGR solenoid valve strut nuts.
 
- Tighten to torque the EGR solenoid valve strut
	nuts (12 N.m).
- Refit:
		- the injector rail protector,
- the injector rail protector bolt.
 
- Torque tighten the injector rail protector bolt (8
	N.m).
- Clip the clips onto the injector rail protector.
- Refit:
		- the gearbox side lifting eye,
- the gearbox side lifting eye bolts.
 
- Fit the wiring harness.
- Connect:
		- the air pressure sensor connector.
- the exhaust gas recirculation solenoid valve connector,
- the oil vapour rebreathing pipe.
 
- Clip the breather pipe to the gearbox.
- Tighten to torque the gearbox side lifting eye bolts
	(21 N.m).
K9K, and 750
	- Loosen the intercooler inlet air pipe nut on the alternator.
- Fit:
		- the turbocharger air outlet pipe,
- the turbocharger outlet air pipe retaining pins.
 
- Click into place the turbocharger outlet air pipe.
- Tighten the turbocharger outlet air pipe bolt on the
	rocker cover.
- Torque tighten the nut mounting the intercooler
	inlet air pipe on the alternator (8 N.m).
- Fit the intercooler outlet air pipe.
- Torque tighten the intercooler outlet air pipe clip
	(5.5 N.m).
 
	- Connect the battery (see Battery: Removal - Refitting)
	(MR 392, 80A, Battery).
D4F, and 784 or 786

REMOVAL
I - REMOVAL PREPARATION OPERATION
	- Disconnect the battery (see Battery: Removal - Refitting)
	(MR 392, 80A, Battery).
- Remove the front engine cover

	- Remove the bolt (1) from the intercooler air inlet pipe
	on the intake distributor.
- Remove the intercooler air inlet pipe clip (2) on the
	turbocharger.
Note:
If the clip (3) is removed from the heat resistant
protector, the latter must be replaced.
	- Move the intercooler inlet air pipe to one side.
- Disconnect the oil vapour rebreathing circuit union (4).

	- Unpick the wiring harness from the upstream oxygen sensor at (5).
- Remove:
		- the bolts (6) from the heat shield,
- the heat shield,
- the filler neck bolt (7),
- the filler neck,
- the ignition coil (see 17A, Ignition, Coils: Removal
		- Refitting, 17A-2).
 
II - OPERATION FOR REMOVAL OF PART
CONCERNED

	- Remove:
		- the rocker cover bolts,
- the rocker cover,
- the rocker cover gasket.
 
REFITTING
I - REFITTING PREPARATIONS OPERATION
	- Clean the joint faces using SUPER CLEANING
	AGENT FOR JOINT FACES (see Vehicle: Parts
	and consumables for the repair) (MR 392, 04B,
	Consumables - Products) to dissolve the part of the
	seal which is still attached.
WARNING
Do not allow this product to drip onto the paintwork.
Clean the cylinder head carefully to prevent foreign
bodies from entering the oil supply and
return galleries.
Failure to follow this advice could lead to the
blocking of the various oil inlet galleries, which
would quickly result in engine damage.
	- Replace the rocker cover seal.
II - REFITTING OPERATION FOR PART
CONCERNED

	- Apply beads (1) of MASTIXO (see Vehicle: Parts
	and consumables for the repair) (MR 392, 04B,
	Consumables - Products) around the 4 rocker cover
	bolts (lower bolts, exhaust side) and on camshaft
	bearing no.5.
WARNING
Applying excess sealant could cause it to be
squeezed out when parts are tightened. A mixture
of sealant and fluid could damage certain
components (engine, radiator, etc.).
	- Fit the new rocker cover seal, starting with bearing
	No. 5, then gradually insert the seal studs as the
	rocker cover fits into the groove.

	- Refit:
		- the rocker cover fitted with a new seal,
- the rocker cover bolts.
 
- Pretighten to torque and in order the rocker cover
	bolts (initial torque) (5 Nm).
- Torque tighten in order the rocker cover bolts (13
	Nm).
III - FINAL OPERATION.
	- Remove:
		- the ignition coil (see 17A, Ignition, Coils: Removal
		- Refitting, 17A-2),
- the filler neck,
- the filler neck bolt,
- the heat shield,
- the heat shield bolts.
 
- Torque tighten the heat shield bolts (8 Nm).
- Connect the oil vapour rebreathing circuit union.
- Clip the upstream oxygen sensor wiring harness into
	place.
- Refit the intercooler air inlet pipe.
- Clip the intercooler air inlet pipe onto the turbocharger.
- Refit the intercooler air inlet pipe bolt on the intake
	distributor.
- Refit the engine cover.
- Connect the battery (see Battery: Removal - Refitting)
	(MR 392, 80A, Battery).
READ NEXT:
	
   I - SPECIAL NOTES
Its role is to modify the valve timing.
To improve cylinder filling at all engine speeds, the engine is fitted with an 
inlet camshaft dephaser (1).
Dephasing at the moment when th
   
   
 
	
   M4R
	The engine and gearbox assembly must be removed
	to remove/refit the camshaft dephaser (see
	10A, Engine and cylinder block assembly, Engine
	- gearbox assembly: Removal - Refitting, 10A-112).
	
   
   
 
	
   D4F, and 740 or 742 or 764
REMOVAL
I - REMOVAL PREPARATION OPERATION
	Position the vehicle on a two-post lift (see Vehicle:
	Towing and lifting) (MR 392, 02A, Lifting equipment).
	Disconnect the bat
   
   
 
   SEE MORE:
	
   K9K, and 772
The pressure measurement circuit must only ever be
opened at the adapters on the exhaust pipe.
REMOVAL
I - REMOVAL PREPARATION OPERATION
	Position the vehicle on a two-post lift (see Vehicle:
	Towing and lifting) (MR 392, 02, Lifting equipment).
	Disconnect the battery (see Battery: R
   
   
 
	
   Always position the objects transported
so that the largest surface is against:
	The rear bench seatback for normal
	loads (example A).
	The front seatbacks with the rear
	seatbacks folded down, as is the case
	for maximum loads (example B).
If you have to place objects on the
   
   
 
 
	 
	
	
	
		
			© 2016-2025 Copyright Renault Clio Owners Club
